0引言
在民用建筑中,智能消防应急照明系统的功能是消防疏散,当建筑出现火灾时,智能消防应急照明系统将与消防系统进行联动控制,在限定时间内锁定火势蔓延区域,然后根据建筑结构与消防救援通道分布位置,在灯具屏幕上显示安全疏散线路,指引受灾人群逃离建筑、前往安全出口。此外,系统还将根据火势实时蔓延情况,对逃生线路进行更改调整。智能消防应急照明系统对保证建筑工程的使用安全、加强消防应急反应与救援能力有重要作用。
1建筑智能消防应急照明系统的组成和功能
1.1系统组成
智能消防应急照明系统主要由控制器、电源、分配电装置、应急灯具四部分组成。
(1)控制器。控制器负责持续感知建筑环境情况与配套装置运行工况,基于运行准则来下达照明灯具启闭等控制指令。如果感知到火灾事故发生,控制器会立即切换到应急照明与安全疏散模式,通过控制灯具启闭、切换电源来组织受灾人员安全疏散。
(2)电源。电源负责持续向现场设备供电,由主电源和应急电源组成。正常情况下由主电源供电,火灾发生期间切换至应急电源供电,应急供电时长保持在1.5~2.0 h。
(3)分配电装置。分配电装置负责持续转换应急电源的输出电压供电给现场应急灯具,以此来减少线损量、维持应急灯具稳定工况,分配电装置也具备通信功能,可以实时掌握现场应急灯具的运行情况,再把信息上传至应急照明控制器。
(4)应急灯具。应急灯具包括应急照明灯具、标志灯具两种,应急照明灯具起到环境照明、调节环境照度的作用,标志灯具则起到指引正确安全逃生方向的作用。
1.2系统功能
在现代建筑工程中,智能消防应急照明系统主要具备应急逃生、消防联动两项核心功能。
(1)应急逃生功能。当建筑出现火灾事故后,室内各处区域安装的应急标志灯具可以有序组织受灾人员通过临近安全疏散通道来撤离至安全区域,避免受灾人员在恐慌情绪下盲目选择逃生路线,或因人群拥挤而出现踩踏等二次事故。
(2)消防联动功能。应急照明与紧急广播、自动灭火等多套子系统共同构成智能消防系统,子系统间保持联动状态,在建筑火灾事故出现后,系统会向各套子系统下达联动控制指令。例如,应急照明系统可以从消防报警系统中获取火场信息,如各处房间烟雾浓度、明火蔓延范围、受灾人员实时位置,针对性引导受灾人员通过安全疏散通道撤离至安全区域,或引导受灾人员进入防火分区等待消防人员救援。智能消防系统会根据探测器信号来实时掌握火场情况,自动制定安全逃生路线,通过变更标志灯具所显示信息来指引逃生路线,帮助受灾人员在疏散过程中躲避明火、有毒烟气和密集人群。
2建筑智能消防应急照明系统的设计
2.1系统架构设计
为保障智能消防应急照明系统维持稳定工况、功能得到充分发挥,设计人员需要搭建一套层级数量少、功能明确、结构合理的系统架构。系统架构从上到下分为控制层、配电层、终端层三个层级,如图1所示。

图1智能应急照明系统架构图
其中,控制层由应急照明控制器组成,布置在消防控制室内,负责对所采集现场监测信号进行分析处理,根据处理结果来下达电源切换、照明灯具集中调控、灯具个别调控等控制指令,以保障应急照明系统稳定运行为主要任务。配电层由主电源、备用电源和分配电装置组成。终端层由室内房间、楼梯间、大厅等区域内安装的应急照明灯具组成,起到指明安全逃生方向、维持室内人工照明状态的作用。
2.2主机设计
控制器是智能消防应急照明系统的主机,设计人员需要在控制器内嵌入操作系统,持续采集现场信号来掌握各楼层区域内的应急灯具工作状态。正常情况下,控制器负责检测灯具是否出现电源故障、灯源故障问题并发送报警信号;火灾持续期间,控制器负责远程改变疏散指示灯、地理指示灯等照明灯具的工作状态,或把消防室值班人员下达的控制指令分解传达给终端设备。设计人员应掌握功能开发、抗干扰两方面的设计要点。
在功能开发方面,在控制器中需要设置记录、报警、信息共享等多项使用功能。记录功能是持续记录灯具启闭时间、分配电装置故障时间等相关信息,并在后续进行溯源分析;报警功能是在控制器自身故障或检测到现场应急照明装置出现异常情况后,自动向值班人员发送报警信号,包括语音报警或闪烁指示灯的报警方式;信息共享功能是保持总控制器与现场分控制器、应急照明控制器与智能消防系统监控主机间的联网状态,实时接收火警信息、火场探测信号等信息,为应急照明方案、消防疏散指示路线的制定提供信息支持。
在抗干扰方面,控制器和通信线布置区域内分布多台电气设备与大量电气线路,容易受到外部电磁干扰,出现通信中断、信号延迟卡顿等问题。设计人员应采取CAN总线通信技术,在控制器上预留CAN总线接口作为对外接口,以此来强化控制器乃至智能应急照明系统的抗干扰能力。
2.3终端照明设计
在终端照明设计环节,应掌握灯具选型、光源选择、光源驱动三方面的设计要点。
(1)灯具选型。在建筑室内安装标志灯具、照明灯具,或安装照明标志复合型灯具。其中,标志灯具起到指引空间方向的作用,布置在各楼层安全出口部位,引导室内人员前往安全疏散通道,或布置在楼层走道等公共区域,引导室内人员迅速找到灭火器等消防设备,标志灯具的标志亮度要控制在50~300 cd/m2。照明灯具负责为室内人员疏散与消防救援活动提供照明条件,正常情况下处于熄灭状态,确认火灾发生后点亮。要求把应急照明灯具光通量控制在50 lm及以上,根据室内空间区域来确定安装位置与间隔距离,如在过道每隔20 m贴顶安装1台照明灯具。复合型灯具同时具备照明和指引功能,既可以点亮灯具来维持室内环境照度,又可以实时变更指示状态来提示受灾人员选择正确疏散方向。
(2)光源选择。为取得理想的节能效果、降低应急照明系统的能耗水平,设计人员可选用LED灯具作为照明光源,同规格LED灯具的耗电量不足白炽灯的1/8,仅为荧光灯的1/2,并具备反应速度快、重量轻、环境适应能力强、可频繁操作的优势。考虑到单颗LED灯具发光强度偏低,无法满足照明需要,应选用LED阵列灯作为光源。
(3)光源驱动。光源驱动包括恒压驱动、恒流驱动两种方式。恒压驱动是在电路中额外串联限压电阻,限定输出电压值,实际驱动效果并不理想,容易产生光强变化;恒流驱动是专门设计恒流电路,安装恒流芯片或运算放大器,通过显示输出电流值来满足LED灯具恒流工作特性,可以预防灯具闪烁等问题出现,应优先采取恒流输出方式。
2.4电路设计
智能消防应急照明系统通常采取DC-DC开关电源技术,系统电路由收/发码电路、隔离电路、开关电源、MCU主控单元、故障检测电路和光源检测电路等部分组成。同时,借助光耦隔离装置,电路结构被拆分为总线部分、光源部分两个部分,各个电源保持独立运行状态,如果单个电源出现故障,不会对其他电源的运行工况造成干扰。设计人员应掌握光源电路、驱动电路、通信电路、检测电路、光源控制电路等电路的设计方法。例如,对于光源电路,在选用LED灯具作为照明光源的情况下,需要串联多颗LED灯具来组成光源阵列,具体根据应急照明需要来确定串联数量,正常情况下需要在电路中串联3~4颗LED灯具。对于光源控制电路,需要在电路中接入单片机引脚,引脚在高电平时导通光耦、截止三接管,在低电平状态下截止光耦、导通三接管,从而执行光源点亮和熄灭操作。
2.5防护设计
在智能消防应急照明系统运行期间,受到设备自身老化、复杂外部环境、雷击等因素影响,可能出现短路、断路、浪涌等故障问题,严重时会造成应急照明系统瘫痪,进而在火灾事故中产生更加严重的损失。因此,设计人员需要梳理各类故障问题的成因,在系统中采取相应防护措施,以此来增强应急照明系统抗干扰能力,维持稳定工况。例如,雷击浪涌问题是指低压供电系统直接遭受雷电流打击,瞬间加载过大脉冲电流,破坏设备电路,或遭受间接雷击,部分电流电压传入电路和应急照明设备的问题。对此,设计人员可应用放电间隙、气体放电管或瞬态抑制二极管等来抑制浪涌。
(1)放电间隙。在绝缘子和接地装置上分别接入单个电极,控制电极安全间隙距离,后续利用金属电极来泄放浪涌能量、保护电路与照明灯具。
(2)气体放电管。在电路首级或前几级保护内加装气体放电管,凭借绝缘电阻值来泄放过大电流、抑制高电压。此类装置动作时间较长,容易出现续流问题。
(3)瞬态抑制二极管。瞬态抑制二极管与普通二极管较相似,如果二极管两端遭受反向冲击,会立即较快地把两端高阻抗转换为低阻抗,通过吸收浪涌功率起到钳位抑制两级间电压、保护后续电路的作用。
3安科瑞消防应急照明和疏散指示系统选型方案
3.1系统概述
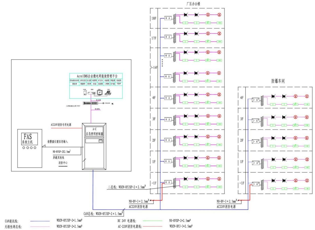
消防应急照明和疏散指示系统主要由应急照明控制器、消防应急照明集中电源或应急照明配电箱、消防应急灯具等几部分组成。该套系统为安科瑞公司自主研发,符合国家现行的行业规范,可以满足与AcrelEMS企业微电网管理云平台或火灾自动报警系统等进行数据交换和共享。
该系统配合火灾报警控制器使用时,在平时对系统内的设备进行实时的监视和控制,便于日常的管理和维护,保障系统的稳定运行。基于此保证在火灾发生时,能够准确改变消防应急标志灯具的指示方向,点亮消防应急照明灯,帮助建筑内的人群选择逃生疏散路线,指引安全的逃生方向,保障群众的人身安全,为各类用户担心的安全问题解决了后顾之忧。
3.2应用场所
适用于住宅、酒店、办公楼、商城综合体、医院、隧道管廊、轨道交通、地库、仓库、工厂等各行业的消防应急照明和疏散指示系统。
3.3系统结构

3.4系统功能
3.4.1系统运行主界面
包含工具栏、平面展示、图层列表、状态栏,可以直观的查看监控设备的运行状态,并根据状态栏的现实内容直接切换至故障具体位置。
3.4.2灯具配置界面
可以查看所有灯具状态与数量。

3.4.3信息界面
可查看历史操作、故障、事件信息、可按日期进行查询。

3.4.4权限管理界面
主要由应急启动、应急停止与手动火警组成,应急启动与停止用来测试设备应急功能是否正常,手动火警测试再具体着火点下系统的启动情况。

4结束语
综上所述,为保障建筑使用安全,减少建筑火灾事故,设计人员认识到智能消防应急照明系统在消防方面的重要价值,掌握架构设计、主机设计、终端照明设计、电路设计和防护设计方面的设计要点,结合工程情况来制订一套切实可行的智能消防应急照明系统设计方案。
参考文献
[1]陈敏,邬岱杰.智能消防应急照明系统在民用建筑中的应用[J].灯与照明, 2022, 46 (2) : 22-25.
[2]章程泽.智能消防应急照明和疏散指示系统在民用建筑中的应用分析[J].光源与照明, 2022 (11) : 26-28.
[3]洪文化.非集中控制型消防应急照明和疏散指示系统手动控制探讨[J].建筑电气, 2022, 41 (11) : 28-32.
[4]付佳楠.甲类生产厂房消防应急照明和疏散指示系统的设计问题分析[J].光源与照明, 2022 (8) : 4-6.
[5]王东萍,胡忠魁.消防应急照明配电设计细节探讨[J].消防科学与技术, 2020, 39 (11) : 1557-1560, 1595.
[6]安科瑞企业微电网设计与应用手册2022.05版.
[7]崔明凯.建筑智能消防应急照明系统设计研究
本文地址: https://www.xsyiq.com/48941.html
网站内容如侵犯了您的权益,请联系我们删除。